Klipsch DS-180CDT SKYHOOK CINCH głośnik instalacyjny seria DESIGNER z obrotowym tweeterem
Sprawdź dostępność -skontaktuj się z nami mail / telefon
dodaj do przechowalni
Opis
Klipsch DS-180CDT SKYHOOK CINCH

głośnik instalacyjny z obrotową kopułką
DESIGNER SERIES
Seria Designer firmy Klipsch oferuje różnorodne, wysokiej jakości głośniki. Kluczowe cechy tych głośników to membrany niskotonowe z polipropylenu, wysokotonowe z silikonu zamontowane na tubach Tractrix® zapewniające dynamiczne brzmienie, a także beznarzędziowy system montażu SkyHook™.
Seria instalacyjnych głośników DESIGNER, podobnie jak pozostałe, korzysta z tych samych, sprawdzonych rozwiązań producenta. Głośniki zapewniają wysokiej jakości brzmienie w systemie kina domowego lub instalacji stereo. Konstrukcja nawiązuje do najlepszych tego typu rozwiązań architektonicznych. Oryginalny system mocowania, bez użycia narzędzi SkyHook firmy Swarm, skraca czas instalacji nawet o 75%.
Klipsch DS-180CDT SKYHOOK CINCH zastępuje model DS-180CDT.
Cechy głośnika DS-180CDT SKYHOOK CINCH
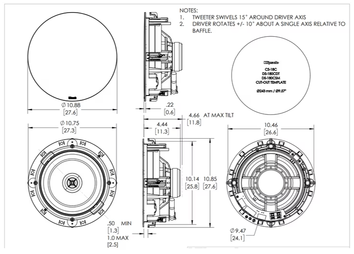
- 8" woofer, membrana z polipropylenu
- 1" głośnik wysokotonowy z możliwością obrotu
- specjalny system mocowania SkyHook™ firmy Swarm
- maskownica utrzymywana na magnesach
SPECYFIKACJA:
| Głośnik niskotonowy | 8" (20.32cm) polipropylen |
| Głośnik wysokotonowy | 1" (2.54cm) regulowana kopułka umieszczona w obudowie Tractrix® Horn |
| Impedancja | 8 Ω |
| Kolor | czarny / biała maskownica |
| Konstrukcja | do zabudowy w suficie |
| Pasmo przenoszenia | 73Hz - 20kHz +/- 3dB |
| Skuteczność | 94 dB @ 2.83V / 1m |
| Waga | 3,36 kg |
| Wymiary | 10.75” W x 10.75” H x 4.5” D (27.3cm H x 27.3cm W x 11.5cm D) |
| Wymiary otworu do zabudowy | 9.8” (24.9cm) |
| Głębokość montażowa | 4.45” (11.3cm) |